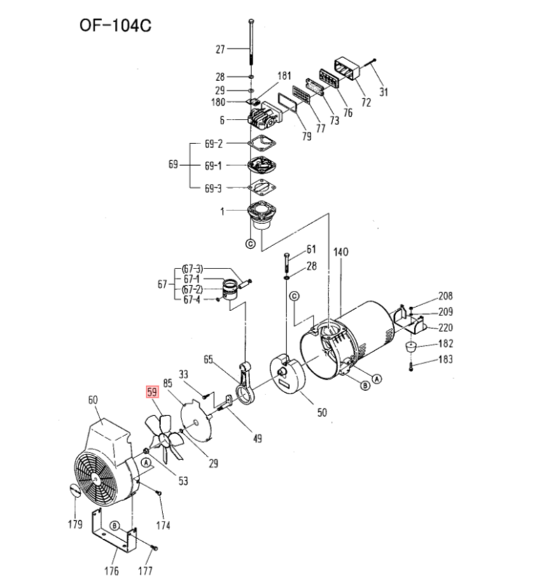
OFP-02/04シリーズ 用 ファン

1,540(税込)
15ポイント
商品コード:91220700
在庫:〇
レビューはまだありません
納期目安:7~10営業日で出荷
商品がカートに追加されました
カートを見る

PRODUCT 商品説明

圧縮機本体形式:OF-102/104シリーズ  風船番号:59

REVIEW レビュー

レビューはまだありません